Gửi email cho chúng tôi
Tin tức

Xây dựng và bảo trì máy đào mini

Xây dựng và bảo trì máy đào mini


Đổi mới xây dựng máy xúc mini và bảo trì thông minh: Cơ thể nhỏ mang các dự án lớn


1 、 Phân tích về việc xây dựng các máy đào mini: Công nghệ bốn chiều định hình lại 'ảo thuật gia không gian'

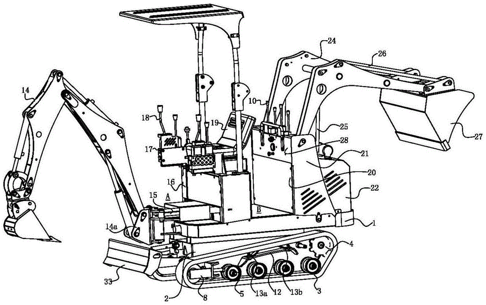
Khung xe và hệ thống đi bộ:


Thiết kế xoay tròn: Các mô hình như Sany SY18U áp dụng cấu trúc "nhô ra đuôi không", với bán kính quay đuôi chỉ 0,86 mét, cho phép xoay không có 360 ° trong các đường hầm hẹp mà không va chạm với tường. Đồng thời, máy xúc mini 0,8ton của chúng tôi cũng có thể đạt được bán kính quay là 1,1m, cho phép hoạt động miễn phí và linh hoạt trong không gian hẹp.


Khung theo dõi có thể điều chỉnh: Đồng hồ đo đường ray có thể được điều chỉnh tự do (chẳng hạn như SY16C hỗ trợ mở rộng và co giãn 980-1350mm), giúp dễ dàng vượt qua các con hẻm hẹp là 1 mét. Áp lực nối đất cao su thấp tới 25kPa, bảo vệ mặt đất trải nhựa.


Vòng bi tự bôi trơn: Khung xe Yanmar sử dụng vòng bi nhựa Iglidur G thay vì vòng bi truyền thống, chống bẩn, chống gỉ và không cần bảo trì, tăng tuổi thọ ba lần.




Hệ thống năng lượng và thủy lực:


Cuộc cách mạng công suất chế độ kép: Máy xúc nhỏ áp dụng Kubota KX019, hỗ trợ chuyển đổi động cơ diesel/điện một lần, bộ pin 20kWh cung cấp phạm vi 8 giờ và nhiễu hoạt động trong nhà thấp tới 66 decibel.


Kiểm soát thủy lực thông minh: Công nghệ nhạy cảm tải (như Shengang SK35SR-6) đạt được độ chính xác phân phối dòng chảy là ± 1,8%, tốc độ phản hồi hành động tổng hợp là 0,7 giây và giảm tiêu thụ năng lượng là 22%.




Tăng cường thiết bị làm việc:


Cấu trúc chống mài mòn: Khớp có khớp nối của sự bùng nổ của máy đào nhỏ gọn đã trải qua quá trình xử lý nhiệt (độ cứng HRC55+) và xô được hàn bằng tấm chống mài mòn Hardox500 (độ cứng HB500), kéo dài tuổi thọ của nó lên 30%.


Bằng sáng chế cánh tay di chuyển bên: Kubota U-15-3s đạt được độ lệch bên trái 595mm/độ lệch phải của 350mm và việc khai quật gắn tường không yêu cầu di chuyển cơ thể.


Thiết bị quay, hoạt động toàn diện 360 °, linh hoạt để thích nghi với các môi trường làm việc khác nhau.


Nâng cấp tương tác máy tính của con người


Cuộn qua CAB kháng: Được chứng nhận bởi ROPS/FOP (có khả năng chống áp suất tĩnh 16 tấn), được trang bị ghế nổi, màn hình cảm ứng LCD và giám sát chế độ xem xung quanh AI, giảm 40%các điểm mù.


2 Bảo trì và bảo trì hàng ngày:

Nguyên tắc vàng của bảo trì hàng ngày


Quản lý dầu thủy lực: Sử dụng dầu thủy lực chống mặc số 68 vào mùa hè và dầu có độ nhớt thấp số 32 vào mùa đông. Thường xuyên kiểm tra độ sạch của NAS (≤ cấp 8) để ngăn bơm và van hao mòn.


Chu kỳ làm đầy bơ: Tiêm mỡ mỗi 10 ngày cho ổ trục quay và tiêm mỡ áp suất cao cứ sau 4-8 giờ đối với điểm bản lề của thiết bị làm việc để tránh trục pin bị kẹt.




Kỹ thuật mở rộng cuộc sống thành phần chính:


Hệ thống theo dõi: Điều chỉnh độ căng để tránh quá lỏng (nhảy răng) hoặc quá chật (hao mòn tăng tốc); Thường xuyên làm sạch sỏi để ngăn chặn sự cố niêm phong của bánh xe hỗ trợ.


Bảo trì "Tam giác bằng sắt":

Kiểm tra giày theo dõi các vết nứt/500h

Răng bánh xích là mặt đất phẳng và thay thế ngay lập tức

Cần sửa chữa rò rỉ dầu con dấu bánh xe

Theo thống kê của Stowers, 80% lỗi khung gầm là do ba loại thành phần này gây ra.


Hướng dẫn xử lý các điều kiện làm việc cực đoan:


Hoạt động ở độ cao: Động cơ tăng áp của máy đào mini có bù năng lượng 15%và hệ thống thủy lực được trang bị van bù áp suất để ngăn ngừa mất dòng chảy.

Hoạt động của Water Wading: Trong cuộc giải cứu lũ lụt của Ý, HX35AZ hiện đại đã đạt được độ sâu lội nước 0,8 mét thông qua một mô -đun mạch kín.


Tiêu chuẩn lưu trữ dài hạn:


Đỗ xe trong phòng khô, hỗ trợ các đường ray để giảm áp lực đất;

Đổ đầy bình nhiên liệu để ngăn chặn sự ngưng tụ, rút ​​lại tất cả các xi lanh thủy lực để tránh lão hóa niêm phong;

Bắt đầu một lần cứ sau 3 tháng để ngăn bảng mạch bị ẩm.


3 、 Biên giới công nghệ: điện khí hóa và tái cấu trúc thông minh của sinh thái công nghiệp

Cuộc cách mạng quyền lực:


Pin mô-đun: Hitachi ZX55U-6EB hỗ trợ ổ đĩa kép và pin thương mại, với sạc nhanh 2 giờ để đáp ứng 10 giờ hoạt động trong 6 giờ.


Thử nghiệm năng lượng hydro: HD Hyundai đã phát triển động cơ nhiên liệu hydro (HX12) để đạt được cấu trúc carbon bằng không.


Bảo trì dự đoán:


Chẩn đoán từ xa IoT: SANY SY35U được trang bị hệ thống HI Mate, phân tích nhiệt độ dầu và dữ liệu rung trong thời gian thực, với tỷ lệ chính xác cảnh báo lỗi là 92%.


Hỗ trợ bảo trì AR: Máy đào Micro Kaise cung cấp đào tạo vận hành VR cho máy đào nhỏ, mô phỏng 30 kịch bản lỗi và cải thiện hiệu quả bảo trì lên 40%.


4 Nhân chứng thực tế: Từ phục hồi nhà cổ đến khai thác

Phục hồi nơi cư trú của một học giả triều đại Ming và Thanh ở Taizhou: Kubota U-15-3S Máy xúc nhỏ đã hoàn thành việc khai quật một rãnh ống ngầm qua vòm 0,85 mét và chức năng chuyển động bên của sự bùng nổ bảo vệ bức tường cổ với tốc độ nguyên vẹn 95%.


Các hoạt động ngầm tại mỏ đồng của Chile: Máy đào nhỏ gọn với một chiếc taxi gia cố được sửa đổi hoạt động liên tục trong 300 giờ mà không gặp sự cố nào, dẫn đến giảm 23% chi phí tải.


Tokyo Nighttime City Construction: Phiên bản điện thuần túy của máy đào mini Sany Sy19e hoạt động âm thầm ở 66 decibel, giải quyết vấn đề "cửa sổ thời gian xây dựng" của thành phố.


Kết luận: Một cơ thể nhỏ mang theo một tương lai lớn

Từ mô hình siêu mỏng 0,8 tấn đến chiến binh hạng nặng 4 tấn, các máy đào nhỏ đang trải qua quá trình tiến hóa ba lần của việc xây dựng chính xác, các nguồn năng lượng đa dạng và bảo trì thông minh, định hình lại mô hình xây dựng toàn cầu. Với doanh số hàng năm vượt quá 3100 đơn vị trên thị trường Ấn Độ và tỷ lệ thâm nhập ước tính là 40% đối với động cơ điện vào năm 2025, cuộc cách mạng công nghệ "sử dụng nhỏ để đạt được lớn" này được định sẵn để khám phá cơ hội vàng trên thị trường nghìn tỷ đô la.


Kinh nghiệm bảo trì ngành:

Đối với máy đào nhỏ gọn, thiết kế chính xác là xương sống, trong khi bảo trì thông minh là nguồn sống, tiết kiệm chi phí bảo trì bằng 1 nhân dân tệ và giảm chi phí sửa chữa xuống 10 nhân dân tệ.



Tin tức liên quan
Để lại cho tôi một tin nhắn
điện thoại
+86-18153282520
di động
Địa chỉ
Đường Tây Trường Giang, Quận Hoàng Đảo, Thành phố Thanh Đảo, Tỉnh Sơn Đông, Trung Quốc
X
Chúng tôi sử dụng cookie để cung cấp cho bạn trải nghiệm duyệt web tốt hơn, phân tích lưu lượng truy cập trang web và cá nhân hóa nội dung. Bằng cách sử dụng trang web này, bạn đồng ý với việc chúng tôi sử dụng cookie. Chính sách bảo mật
Từ chối Chấp nhận